NICK FRY
Aerospace Engineering Student
PROJECTS


Nitrous Oxide Ethanol Torch Ignition System
Oct 2025 - Work in Progress
Leading development on the torch ignitor for the newest of the University of Toronto Aerospace Team's (UTAT) liquid bipropellant engines for the rocket Voyager. Low thrust rocket engine running cold to extend operational burn time.
Design Specifications:
Nitrous Oxide (N2O) / Ethanol (H3CCHOH) augmened spark ignitor.
Mass flow rate = 0.5 g/s
Thrust = 3.6N
Isp = 68
Mass Ratio = 1 (highly fuel rich)
Combustion Chamber Temperature = 1068 K Combustion Chamber Op Pressure = 64.7 psi
SHRIM Pyrotechnic Port Igniter
July 2025 - Jan 2026
Continued to lead development of the pyrotechnic ignition system on the UTAT Discovery IV liquid bipropellant rocket. After pivoting from an external mounting solution detailed in the ARRIS development below, my co-lead and I developed a Solid Half Resin Inhibited Mounted Pyrotechnic Port Igniter. Technical write up.
Utilizes a simple port machined into the injector manifold to hide the solid rocket motor cartridge. Once lit, the motor delivers a hot stream of exhaust gasses into the main combustiong chamber. As compared to the ARR Ignition System, the burn time is significantly lowered as instead of end burning, this system uses the standard radial burn that the motor was designed for.
Design Specifications:
D24-7T Aerotech COTS solid rocket motor ignited by the manufacturer's e-match unaugmented.
Burn time > 3 s








ARR Ignition System
Dec 2024 - July 2025
Lead the development of the Augmented Rotating Rocket Ignition System (ARRIS) for the Discovery IV liquid bipropellant engine. Organized a half year test campaign detailed in the technical write up.
Predecessor to the SHRIMPII. While successful in hitting 10+ seconds of burn time and sufficient energy for engine ignition, the mounting solution proved dangerous for other components in the engine, and damaged the graphite nozzle during the engine's first hotfire as it was ejected, despite being made of soft TPU and cardboard. The motor itself was fully inhibited with RTV silicone such that the grain burns from end to end like a double sided cigarette. More details in the technical write up.
Design Specifications:
D24-7T Aerotech COTS solid rocket motor ignited by a standard e-match augmented with 0.2g of fine black powder.
Burn time > 10 s


Detonator
2025
Hand designed a safety detonator to deliver 9V through two buttons that must be held down to induce a potential diffrence across two long terminal wires that exit the base of the device.
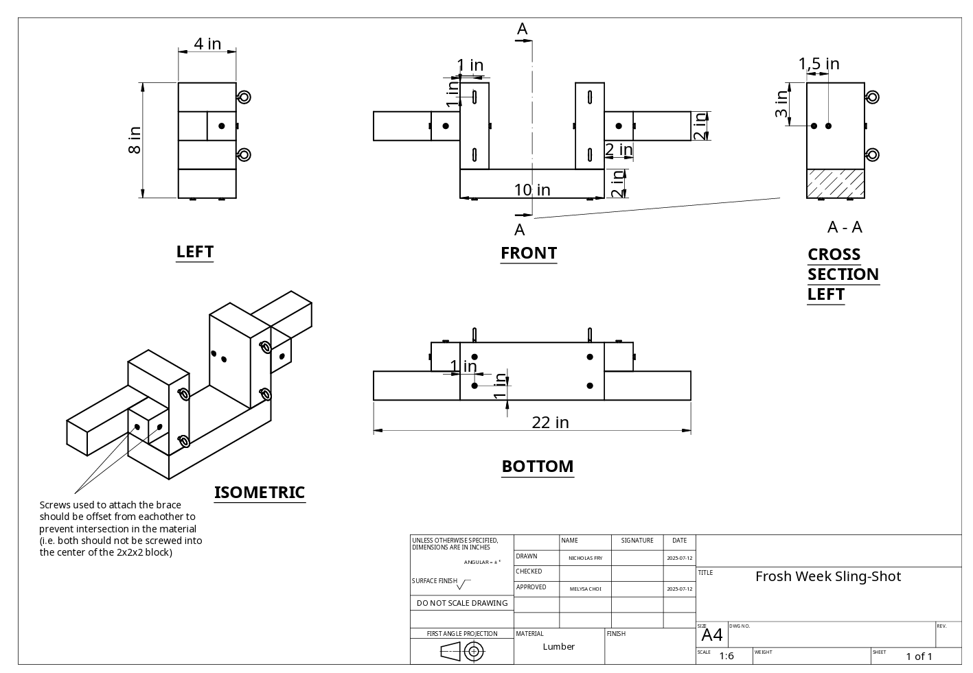
Frosh Week Build Battle
2025
As the Co-chair of one of the events for the engineering Frosh week 2T5, we designed and organized the event to give incoming engineering students some hands on experience using engineering drawings to build a slingshot.



MAAIA
2025
Built for Praxis II engineering design course, the Mooring Ancho Alignment Indicator Aid (MAAIA) is a device that allows a mooring anchor placed upon an indicator foot that allows for it to be lifted, inspected, and replaced in the exact same position for cleaning every year.
Civ102 Bridge
2024
---
Pilot's License
2024
---
GAU-8 Model
2024
---
DC Motor from Scratch
2024
---
Airfoil Research (EE)
2024
---
Hand Coded Orbit Simulators (IA)
2024
---
Thermodynamics (IA)
2024
---
Electrogalvanization (IA)
2024
---
Sustainable Aviation Research Prroject
2024
---
Planetarium
2024
---
AWARDS
University of Toronto Undergraduate in Engineering Science (2024-Current)
Dean's Honour List (3.97 GPA)
2025
Engineering Science Year 2
University of Toronto Aerospace Team New Member Award
2025
IB Program at Hillingdon International School, London, UK
High School Valedictorian
2024
Achieved 45 IB points
Subject Awards, Grade 12
2024
- • Physics HL
- • Chemistry HL
- • Math AA HL
- • Spanish B SL
- • English SL
- • Theory of Knowledge
Effective Learner Award
2023
The student "who has best demonstrated intellectual curiosity."
Awards, Grade 11
2023
- • Achievement in Physics and Chemistry
- • Engagement in English, TOK, and Spanish
- • Progress award in Mathematics
Canadian High School at Lisgar Collegiate Institute, Ottawa
Awards, Grade 10
2022
- • Silver medalist
- • Achievement in grade 11 Physics
- • Gifted English
ABOUT
Information about me
Under construction while I learn JavaScript
CONTACT
Phone
+1 (873) 660 8178GitHub
Coming Soon
Onshape Repository
CAD Projects & Engineering Designs - Coming Soon
